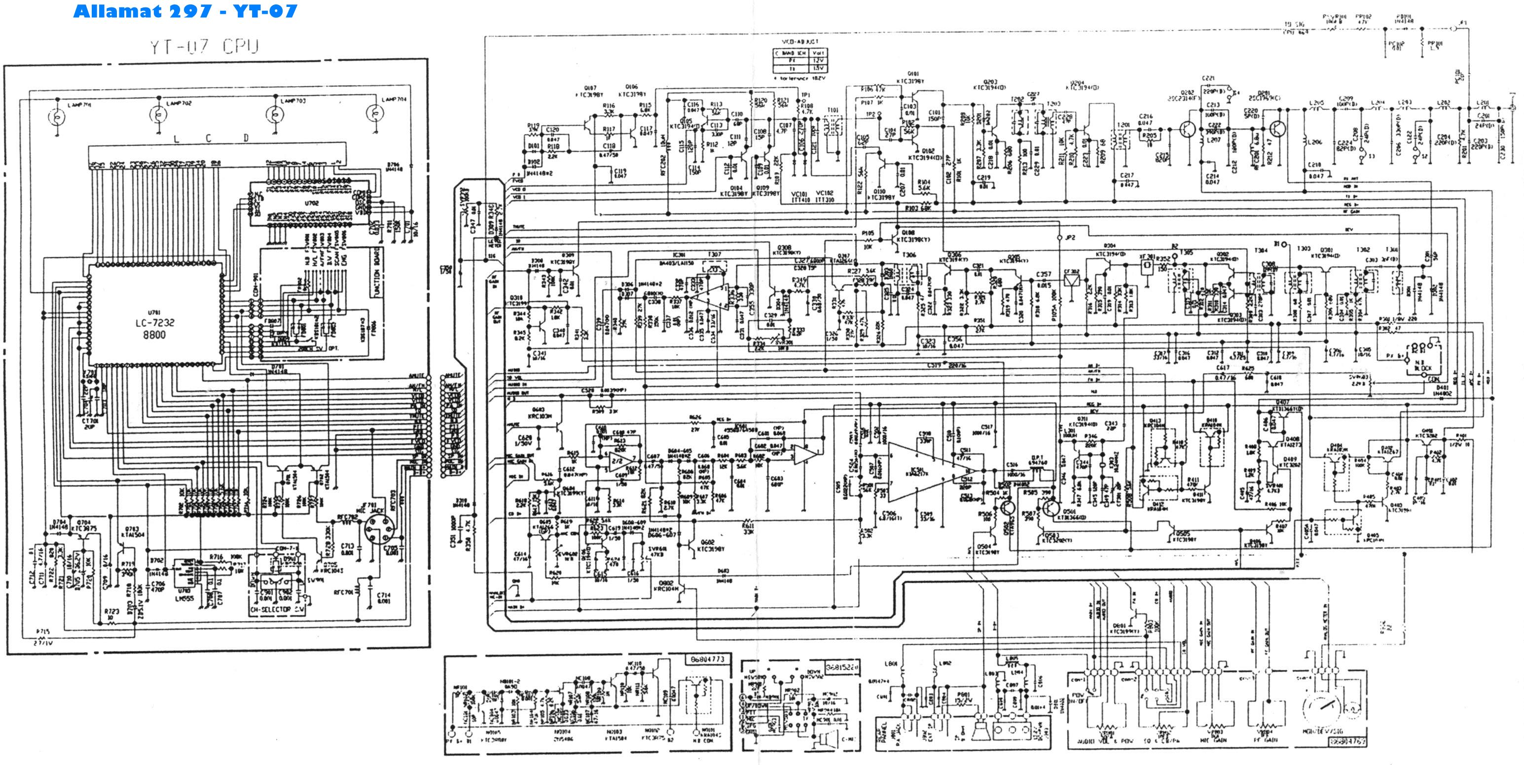
Allamat 297 / Yosan Turbo YT-07
Schémata radiostanice Allamat 297 (ekvivalent Yosan Turbo YT-07). Klikni na název pro otevření obrázku v plné velikosti.
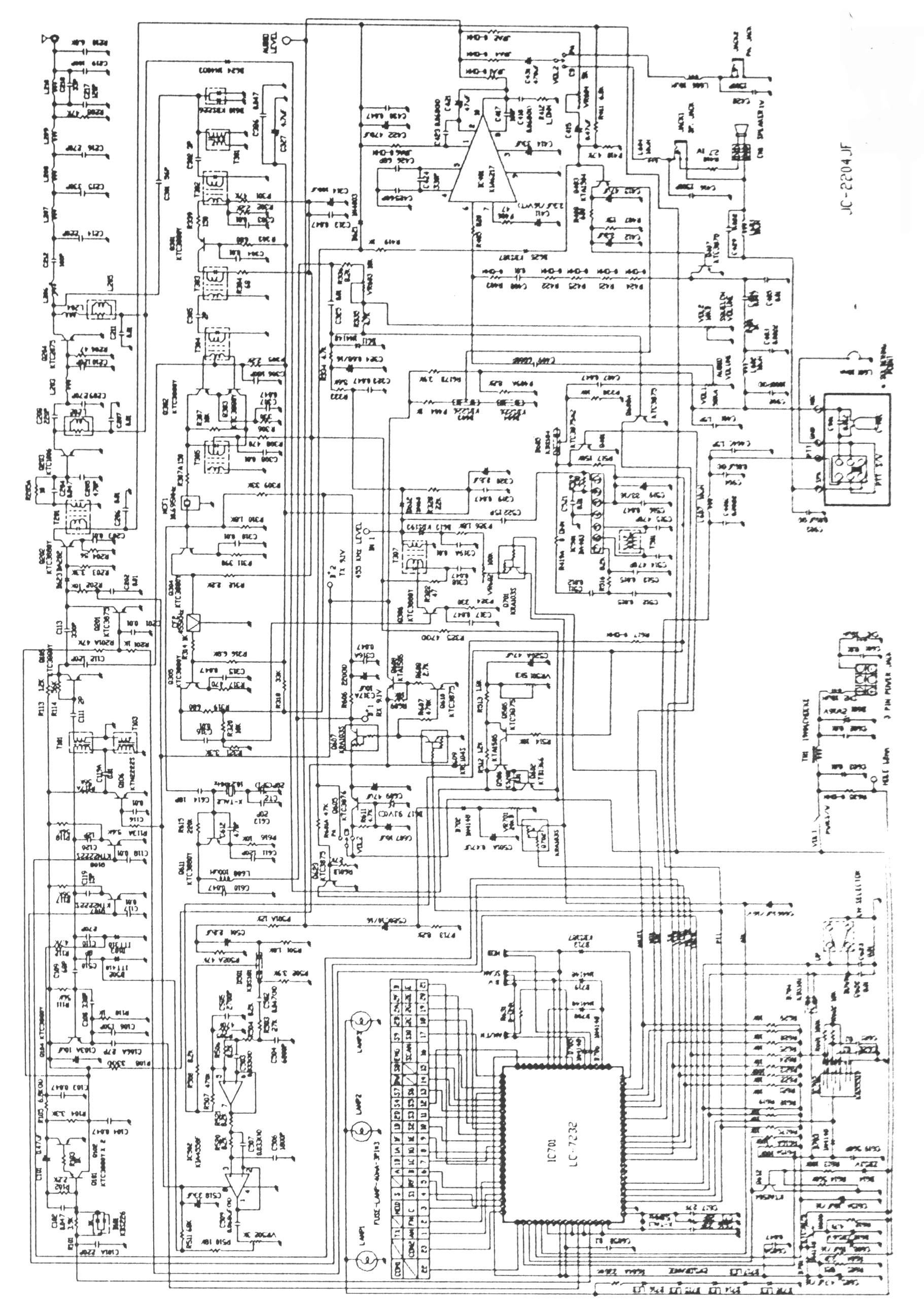
Allamat 295
Schéma zapojení radiostanice Allamat 295 – blokové schéma
Technické podklady, zapojení a úpravy radiostanic
Schémata radiostanice Allamat 297 (ekvivalent Yosan Turbo YT-07). Klikni na název pro otevření obrázku v plné velikosti.
Schéma zapojení radiostanice Allamat 295 – blokové schéma